26/01/2026 Architects, Interior Designers
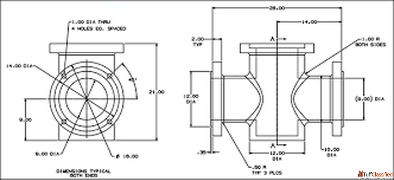
Paper to CAD Conversion Services in Ashburn, Virginia help you turn old paper drawings, blueprints, and hand sketches into accurate, editable AutoCAD files. We convert paper plans into professional DWG and DXF formats with proper scale, clean layers, and precise dimensions. Our expert team uses manual drafting to ensure high accuracy and clarity in every drawing. Ideal for architects, engineers, contractors, and real estate professionals, our service saves time, reduces redrawing costs, and improves documentation quality. With fast turnaround, secure file handling, and strict quality checks, we deliver reliable CAD drawings you can trust for design and construction projects.
Paper to CAD Conversion Services in Ashburn, Virginia help you turn old paper drawings, blueprints, and hand sketches into accurate, editable AutoCAD ...
Go digital with our Paper to CAD Conversion Services. We convert hand-drawn sketches and paper drawings into accurate, editable CAD files with correct...
Get detailed and professional CAD files through Cresire’s PDF to CAD Conversion Services in Ottawa Ontario. We serve construction professionals by con...
Simplify your work with professional CAD Conversion Services from Alpha CAD Service. We convert paper drawings, PDFs, and scanned blueprints into prec...
More Details